Альтернативные источники отопления загородного дома: сравнительный обзор эко-систем
Одна из основных статей расхода семейного бюджета — оплата коммунального отопления или приобретение горючего для обогрева дома. Каждый разумный хозяин наверняка задумывается о реальных и эффективных способах снижения этих затрат. А ведь сократить их можно буквально до минимума, используя альтернативные энергетические источники. Что они представляют собой и как используются? Согласитесь, это стоит узнать.
Все о том, как устроить альтернативное отопление частного дома, вы узнаете из представленной нами статьи. С нашей помощью вы без труда определитесь с наиболее подходящим для вас вариантом. Подробное описание принципов действия схем «зеленой энергетики» предоставит возможность решить, каким технологическим способом лучше воспользоваться для получения тепла.
В статье детально описаны виды источников бесплатной энергии, приведены методы генерации тепла для применения в быту. В помощь самостоятельным домашним мастерам и рачительным собственникам загородных владений прилагаются фото-подборки, схемы и весьма полезные видео-инструкции.
Плюсы и минусы альтернативной энергетики
От традиционных источников тепла, многие годы используемых для отопления, можно отказаться. Как это ни удивительно, но вполне реально. Многие ярые противники утверждают о невозможности заменить природные ресурсы экологически чистыми аналогами.
Альтернативой становится энергия солнца, сила ветра, тепло, скрытое в недрах земли, отходы производства и жизнедеятельности человека. Такие варианты актуальны в современном мире, учитывая общую загрязненность окружающей среды.

Альтернативные источники способны обеспечить загородный дом электричеством и тепловой энергией
Еще одно существенное преимущество – ощутимая экономия при использовании экологических источников самопроизвольно возобновляемой энергии. На первый взгляд кажется, что это неоправданно дорого и вряд ли окупится.
Детальнее разобравшись с особенностями каждого способа, можно увидеть, что эко проект окупается через 4-7 лет, а далее остаются лишь текущие расходы на поддержание используемых механизмов в рабочем состоянии.
Возможность полноценной замены привычного топлива альтернативным доказана не одним реальным примером. Домовладельцы в разных странах мира прибегают к экологическим вариантам отопления. У нас – лишь единицы решаются кардинально сменить привычное топливо, дорожающее с каждым годом.
Галерея изображенийФото из Воздух, относящийся к одним из активно востребованных источников альтернативной энергии, привлекает неисчерпаемыми запасами Колоссальное количество энергии можно извлечь из недр земли, расположив приемную часть теплового насоса в грунте Безграничными запасами зеленой энергии обладают грунтовые воды, для использования которых бурят скважины, и воды открытых водоемов В отличие от тепловых насосов ветрогенераторы вырабатывают электроэнергию, а не перерабатывают природные тепловые ресурсы в тепловую энергию Установки, перерабатывающие навоз и бытовые отходы в биогаз, позволяют решить проблему утилизации и получить бесплатное газообразное топливо Небольшая электростанция, состоящая из солнечных батарей, послужит источником для работы бытовой техники и зарядки мобильных устройств Солнечные коллекторы с водой, воздухом или антифризом в качестве теплоносителя обеспечат им отопительные системы загородных домов Сооружения, вырабатывающие альтернативную энергию, чаще всего используются в комплексе или служат дополнением к традиционным вариантам получения электроэнергии и тепла Внешний блок теплового насоса воздух-водаВнешняя часть теплового насоса земля-водаТеплоприемник теплового насоса вода-воздухВырабатывающие электроэнергию ветрогенераторыУстановка для получения биогаза из навозаМини электростанция на крыше загородного домаСолнечный коллектор — поставщик контуров отопленияКомплексное использование эко источников
Основная проблема применения эко топлива – значительные капиталовложения на начальном этапе. Ведь сначала нужно детально просчитать количество необходимой энергии для определенного дома или коттеджа. Затем выяснить, какой тип эко ресурсов наиболее выгодный в конкретной местности.
Далее предстоит составить план расположения оборудования, генерирующего энергию, купить все необходимое и установить.
Если всеми этими вопросами будут заниматься соответствующие специалисты, то конечная стоимость эко отопления будет очень высокой. Чтобы сэкономить, можно попытаться обойтись своими силами.
Для этого предстоит с головой погрузиться в тему альтернативных источников энергии, чтобы отказаться от привлечения посторонней помощи. В этом случае стоимость проекта окажется в разы дешевле.
Именно второй вариант выбирают многие хозяева частных домов. Их практика доказывает, что стать энергонезависимыми вполне реально. Можно полностью или частично заменить традиционное топливо – все зависит от размеров домовладения, финансовых возможностей на начальном этапе, выбранного варианта отопления.
Сферу применения «зеленой энергии» продемонстрирует фото-подборка:
Галерея изображенийФото из Энергия, вырабатываемая тепловыми насосами, используется в отопительных системах, реже в контурах ГВС Тепловые насосы производят подготовку теплоносителей всех типов для паровых, воздушных и водяных отопительных систем Голубое топливо, получаемое в результате действия установок по переработке навоза и бытовых отходов, обеспечит газом котлы и газовые плиты Электроэнергия, поставляемая солнечными батареями и ветрогенераторами, потребуется в работе бытовой техники Использование энергии тепловых насосовВнутренний блок теплового насосаПрименение биотоплива на практикеСолнечные батареи в мини электростанции
Виды возобновляемых источников для отопления
Для обогрева дома можно успешно использовать энергию ветра, солнца, земли. А также биотопливо. Разберем детальнее, как именно это сделать и что для этого потребуется.
Вид #1 — сила ветра
Весьма успешно в качестве альтернативного источника для отопления загородного дома можно использовать энергию ветра. Этот ресурс невозможно исчерпать. Он имеет свойство возобновляться. Чтобы использовать силу ветра, потребуется специальное приспособление, называемое ветряк.
Принцип использования энергии ветра
Для преобразования силы ветра в альтернативный источник отопления потребуется ветрогенератор. Они бывают вертикальными и горизонтальными в зависимости от оси вращения. Существует много производителей, предлагающих свои модели клиентам.

Ветроэнергетические установки бывают с горизонтальной и вертикальной осью вращения. Большая производительность у горизонтально ориентированных
Стоимость зависит от материала, размера самой установки и мощности. Также можно соорудить ветряной генератор своими силами, используя подручные материалы.
Любой ветряк состоит из таких составляющих:
- лопастей;
- мачты;
- флюгера, чтобы улавливать направление ветра;
- генератора;
- контроллера;
- аккумуляторных батарей;
- инвертора.
Принцип работы ветроэнергетической установки основан на силе ветра, вращающего лопасти ветряка. Лопасти, закрепленные на мачте, находятся высоко над землей. Чем выше, тем выше производительность. Так, для снабжения одного дома достаточно высоты 25 м.
Вращающиеся лопасти приводят в движение ротор генератора. Он начинает вырабатывать трехфазный переменный ток, требующий дальнейшего изменения. Этот ток поступает к контроллеру, где преобразуется в постоянный. Он используется для зарядки аккумуляторных батарей.
Пройдя через батареи, ток выравнивается и поступает на инвертор, где происходит его преобразование в однофазный переменный ток частотой 50 Гц и напряжением 220 Вольт. Теперь его можно использовать для бытовых нужд, в системе электрического отопления.
Галерея изображенийФото из В стандартной схеме ветряка присутствует ротор с лопастями, генератор и редуктор. Для установки необходима высокая мачта и аккумулятор для сбора полученной энергии По расположению оси вращения ветряки подразделяются на горизонтальные и вертикальные. У горизонтальных вариантов с противоположной стороны крепится «хвост» Ветряной генератор с вертикальным расположением оси вращения отлично работает при любом направлении и силе ветра, но требует более мощной и устойчивой конструкции мачты Используя двигатели от ненужной беспроводной техники и практически бесплатные подручные средства, можно сделать эффективную самодельную электростанцию Типовое устройство и стандарты конструкции ветрякаВетрогенератор с горизонтальной осью вращенияВетрогенератор с вертикальной осью вращенияГенератор для сборки самодельного ветряного генератораОсобенности расположения ветряков
Ветряные установки способны работать при определенных условиях. Во-первых, ветрогенератор — довольно объемное сооружение, требующее внушительной площади для устройства. Маленький прибор не способен удовлетворить потребности в энергии.
Его высота должна превышать минимум на 10 м окружающие дома, деревья и прочие строения, а линии электропередач и прочие объекты должны находится в 100 м от ветряка. Это требование не всегда выполнимо – не все владельцы частных домов имеют приусадебные участки достаточной площади.

Ветряки лучше всего располагать на возвышенности, холме, подальше от деревьев и зданий – минимум в 100 метрах
Во-вторых, хорошо, когда рассматриваемая местность обладает хорошим ветропотенциалом – возвышенность или степная зона. Для запуска генератора потребуется скорость ветра от 2 м/с.
Многие модели ветряных систем, предназначенные для использования частными домохозяйствами, способны полностью покрыть потребности в электроэнергии.
Так, ветряк мощностью 1,5 кВт может в месяц генерировать, в зависимости от времени года, 100-200 кВт час. Если высоту мачты увеличить, то производительность станет больше в 2 раза.
Но это потребует дополнительных затрат на монтаж и расходные материалы. Срок службы ветряных электростанций составляет в среднем 20 лет.
Также у нас на сайте есть другие материалы по устройству, разновидностям ветрогенератора, расчету и изготовлению своими руками, и по установке.
Предлагаем вам ознакомиться с ними:
- Кинетический ветрогенератор: устройство, принцип работы, применение
- Ветрогенератор для частного дома: виды и особенности агрегатов, тонкости выбора, расчеты окупаемости + лучшие предложения
- Как произвести расчет ветрогенератора: формулы + практический пример расчета
- Ветрогенератор своими руками из стиральной машины: инструкция по сборке ветряка
- Как соорудить лопасти для ветрогенератора своими руками: примеры самостоятельного изготовления лопастей для ветряка
Вид #2 — энергия Земли
Одной из альтернативных систем отопления является геотермальная. В ее основе лежит использование энергии Земли. Это тепло земли, подземных вод, окружающего воздуха, преобразуемое тепловыми насосами (ТН). Важно, чтобы температура среды, используемая установкой, была выше нуля.
Устройство и принцип работы теплового насоса
Для работы геотермальной системы нужна электроэнергия, используемая на перенос полученного тепла. Тепловой насос, употребляя 1 кВт, выдает от 2-х до 6-ти кВт тепла.
Основной принцип работы ТН состоит в сборе тепла, преобразовании его и дальнейшей передаче в отопительный контур. Это реализуется благодаря устройству самого прибора.

Дешевле всего установить тепловой насос «воздух-воздух». Если соорудить его своими руками, то потребуется минимальные финансовые вложения
ТН состоит из 3-х замкнутых контуров, задействованных в процессе получения тепла для отопления частного дома:
- внешнего – предназначенного для забора тепла у источников. По контуру циркулирует антифриз или соляной раствор;
- внутреннего – заполненного хладагентом, чаще фреоном;
- отопительного контура, заполненного теплоносителем.
Фреон, заполняющий внутренний контур, нагревается от тепла, пришедшего из внешнего контура. Имея низкую температуру кипения, он превращается в газ в первом теплообменнике – испарителе.
Затем поступает в компрессор, где сжимается, в результате чего выделяется много тепла, а температура самого газа многократно повышается – вплоть до 65 градусов.
Далее газообразный фреон попадает в следующий теплообменник, именуемый конденсатором, где оставляет свое тепло. Фреон, расставшись с большей частью тепла, попадает под давлением на сбросный клапан. Здесь резко падает давление, хладагент охлаждается и, приняв жидкое состояние, снова поступает в испаритель.
Тепло, оставленное фреоном в конденсаторе, нагревает жидкость, циркулирующую в системе отопления домовладения. Если в этой системе предусмотрено устройство теплых полов, то возможно достичь наиболее эффективного обогрева при минимальных затратах.
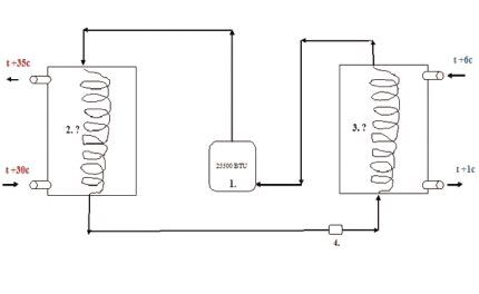
Сделать простейший вариант теплового насоса несложно собственными руками. Для этого потребуются фактически бросовые детали, дешево приобретенное оборудование и, конечно, терпение. Приводим схему тепловой системы с забором энергии тепла в скважине, заглубленной в доломит.

В конструктивном устройстве тепловых насосов много общего. Традиционные компоненты: 1 — компрессор; 2 — конденсатор; 3 — испаритель; 4 — ТРВ, т.е. терморегулирующий клапан
Испаритель рассматриваемой в примере системы подключен к забирающей энергию грунта скважине.
Специфику устройства теплового насоса для системы напольного обогрева представляет фото-галерея:
Галерея изображенийФото из Тепловой насос сооружается для подготовки теплоносителя для низкотемпературных отопительных систем: теплого пола и радиаторов, отличающейся большой теплопроводящей площадью В устройстве использован компрессор от системы кондиционирования на 7 кВт Для изготовления конденсатора был куплен бак из нержавейки вместимостью около 120л. Для установки внутрь змеевика он был разрезан пополам. Змеевик устроен путем намотки медной трубки на баллон с фреоном Чтобы закрепить положение витков, к змеевику сбоку крепится одна или более алюминиевая планка Обе части насоса: и конденсатор (слева), и испаритель с расположенным над ним компрессором (справа) устанавливаются на кронштейны В изготовлении испарителя задействован пластиковый бак объемом на 127 л, для подачи и стока воды в бак введены пластиковые трубы и водопроводные краны Пластиковый бак, предназначенный для переработки полученной из скважины энергии, по аналогии со всеми частями системы установлен на кронштейн Сооруженная тепловая система заполнена фреоном, для контроля давления установлен манометр, для автоматизации работы насоса приобретен блок автоматики Потребитель тепловой энергии — теплый полКомпрессор б/у от сплит системыКомпоненты для конденсатораФиксация витков змеевикаУстановка частей теплового насосаБак и комплектующие для испарителяУстановка пластикового бака на кронштейныФреон для заполнения системы и манометрЦелесообразность использования ТН
Тепловые насосы – ТН, забирающие тепло из окружающей среды, бывают разные. Все зависит от типа окружающей среды, используемой в качестве источника забора тепла и типа используемого теплоносителя.
Соответственно, выделяют такие виды ТН:
- воздух-воздух;
- вода-воздух;
- вода-вода;
- грунт-вода.
Первые два вида насосов применяют в системах воздушного отопления, а вторые два вида – в системах с жидким теплоносителем.

Вертикальный вариант теплового насоса наиболее эффективный по получению энергии земли, но он наиболее дорогостоящий
Самым выгодным с экономической точки зрения будет использование теплового насоса «вода-вода». Этот вариант целесообразно использовать, если рядом с домом располагается незамерзающий водоем, в который укладываются трубы для забора тепла.
Тепловой насос позволяет получать 30 Вт тепла с 1 м трубопровода. В зависимости от площади частного домовладения и потребностях в энергии потребуется уложить соответствующее количество труб.
Насосы, использующие воздух, не заменят традиционное отопление в регионах с суровым климатом. Что касается тепла, черпаемого из грунта, то это весьма дорогостоящий проект. Используют горизонтальное устройство геотермального поля, вертикальное и кластерное бурение.
При горизонтальном варианте предстоит соорудить геотермальное поле на глубину, большую уровня промерзания. Это около 1,5-2 м. Площадь такого поля получается внушительной – от 200 м2.

ТН способны заменить привычное топливо в системе отопления, обеспечив полную энергетическую независимость загородному дому
Для реализации вертикального и кластерного проекта потребуется бурение на значительную глубину с применением бурильных установок.
Это весьма дорогостоящая услуга. Оборудование такого вида тепловых насосов целесообразно для владельцев коттеджей, не задумывающихся о стоимости работ. Отопление, использующее тепло из недр земли, способно полностью заменить твердотопливное или газовое.
Геотермальное отопление выгоднее всего использовать в тандеме с устройством водяной «теплый пол». Оно позволяет получить самый оптимальный результат.
Из существенных недостатков – большая протяженность трубопровода для сбора тепла, дорогостоящие земляные работы по установке системы, потребность в большой площади для обустройства геотермального поля.
Вид #3 — солнечная энергия
Солнечная энергия, излучаемая светилом круглый год, способна даже в лютые морозы стать альтернативным видом для отопления загородного жилища. Важно научиться правильно ее собирать и использовать в отопительной системе.
Для сбора и преобразования энергии солнца используются солнечные батареи на фотоэлектрических преобразователях и коллекторы, представляющие собой систему трубок, наполненных теплоносителем.

Солнечные установки обладают высоким коэффициентом полезного действия. Многие рачительные хозяева самостоятельно оборудуют свои дома такими системами
Принципиальное отличие этих преобразователей заключается в том, что батареи вырабатывают ток, который можно использовать при электрическом отоплении загородного дома. Коллекторы же используются в системе водяного и воздушного отопления. Самый эффективный вариант – оборудование в помещениях системы теплых полов.
Мнение о том, что солнце не способно справиться с обогревом дома, справедливо лишь в случае неправильной установки и ошибочных расчетов количества необходимой энергии и тепла. Оптимально подобранная гелиоустановка вполне способна обеспечить автономное отопление.
Другой вопрос, что для этого потребуется вложить деньги в покупку оборудования, его монтаж и интегрирование в существующую отопительную систему.
Галерея изображенийФото из Сооружение небольшой солнечной электростанции не потребует специально выделенного для нее места Самым распространенным местом для расположения солнечных панелей является крыша. Установка проводится как на скатных, так и на плоских конструкциях Если в пределах обустраиваемого сооружения не слишком много потребителей электроэнергии, то достаточно одного модуля Гелиоприбор можно сделать собственными руками или купить батарею заводского производства в комплектации с монтажными приспособлениями При использовании готовых модулей в сооружении мини электростанции работы проводятся в несколько часов Доставленную к месту установки батарею надо будет просто проверить на работоспособность и собрать конструкцию в соответствии с приложенным к изделию инструктажом Собранный прибор аккуратно транспортируется на крышу. Следует избегать всех возможных повреждений в период перемещения Доставленный к месту эксплуатации прибор располагают так, чтобы он смог собрать максимальное количество солнечных лучей Солнечные панели на скатной крышеПопулярная площадка для гелиосистемСолнечная батарея на крыше гаражаПрибор заводского производстваРаспаковка и сборка солнечных батарейПодготовка солнечной батареи к установкеПеремещение собранного прибораМини электростанция на крыше гаража
Гелиосистема на фотоэлектрических преобразователях поглощает солнечную энергию, а кремниевые фотоэлементы сразу же превращают ее в постоянный электрический ток. 1 м2 установки способен вырабатывать 120 Вт.
Помимо панелей, улавливающих солнечное излучение и преобразующих его, для солнечной системы отопления предстоит установить контроллер заряда, преобразователь постоянного тока в переменный и позаботиться о безопасности – поставить предохранители.

Прежде, чем решиться на монтаж гелиоустановок, нужно разобраться с их устройством и принципом работы
Преимущество панелей – возможность подключать аккумуляторные батареи, накапливающие излишки энергии, которую можно использовать в ночное время. Существенный недостаток при использовании гелио батарей – наибольшая их эффективность в южных регионах. В суровом климате экономически нецелесообразно их устанавливать для использования в качестве основного вида отопления.
Солнечные установки, оснащенные системой трубок, больше подходят для регионов с холодными зимами и отрицательной температурой. В зависимости от строения панели и материалов, различают вакуумные коллекторы, плоские и концентраторы.
Наиболее дорогостоящие среди них – с вакуумными трубками. Но они самые эффективные в любое время года и любую погоду, ведь умеют поглощать широкий спектр солнечного излучения. Еще одно их преимущество – вакуумные панели успешно функционируют при отрицательной температуре до -35 °C.

Установить солнечные коллекторы можно своими руками, не используя услуги организаций, специализирующихся на этом. Такая работа потребует помощника, но позволит сэкономить семейный бюджет
Принцип работы коллектора заключается в том, что он улавливает солнечное излучение, которое в вакуумных трубках преобразуется в тепло. Далее оно передается теплоносителю, который доставляет его в теплообменный бак. Затем теплоноситель поступает в отопительную систему.
Более подробно лучшие конструкции для солнечного отопления дома мы рассмотрели в другой нашей статье.
Вид #4 — биологически чистое топливо
Одним из эффективных и доступных способов обогреть загородный дом служит котел, работающий на биологически чистом топливе.
Этот вид альтернативного отопления использует для своей работы отходы производства – шелуха сельскохозяйственных культур, щепа, опилки и другие побочные продукты деревообрабатывающей промышленности.

Котлов, работающих на пеллетах, существует много. Есть возможность автоматизировать процесс подачи топлива, чтобы все происходило без участия хозяина
Из различных отходов делают плотные спрессованные гранулы небольшого размера – пеллеты, которые сжигаются в котлах. По сравнению с обычными дровами такое топливо горит дольше и позволяет получить больше тепла.
Так же делают крупные плотные брикеты из различного рода отходов растительного происхождения. Такое спрессованное топливо позволяет получить в 2-4 раза больше тепловой энергии. Его теплотворная способность составляет до 5,0 кВт×ч/кг.

Пеллеты, в отличии от брикетов, имеют значительно меньший размер. Они применяются в автоматизированной системе отопления. Брикеты же, более эффективны, но обладают большим размером
Для газового котла можно использовать биогаз. Его несложно получить в процессе гниения органических отходов. Для этого потребуется соорудить достаточно объемный резервуар, поместить в него отходы, предусмотреть установку для их перемешивания.
Под воздействием воздуха и бактерий будет происходить процесс гниения и выделение газа. Предстоит установить трубопровод для сброса отработанного материала. Также для сбора газа в специальные резервуары, его очистки и перемещения в систему отопления, нужно использовать соответствующие приспособления.
Экологически чистый способ отопления, использующий альтернативный источник получения тепла – водородный котел.
В основе его работы лежит реакция взаимодействия молекул водорода с кислородом, в процессе которой выделяется огромное количество тепла. Этот вид отопления требует соблюдения правил эксплуатации и техники безопасности.

Принцип работы водородного котла основан на химическом расщеплении воды на водород с кислородом, в результате чего выделяется много тепла и никаких вредных веществ. Но нужно соблюдать правила безопасности
Основной недостаток – высокая стоимость фабричного оборудования. Выходом из сложившейся ситуации является оборудование водородной системы отопления своими силами.
Для ее работы потребуется постоянное подключение к источникам электроэнергии и воды, водородная горелка, водородный генератор, катализаторы и сам котел. Тепло, полученное в результате химической реакции, поступает в теплообменник, а в качестве отходов – простая вода.
Чтобы больше узнать о биотопливе, рекомендуем ознакомиться с другими нашими статьями по этой теме:
- Биогазовая установка для частного дома своими руками: рекомендации по устройству и пример обустройства самоделки
- Как получить биогаз из навоза: технология и устройство установки по производству
- Водородный котел отопления: устройство + принцип работы + критерии выбора
- Как сделать водородный генератор для дома своими руками: практические советы по изготовлению и монтажу
Как сэкономить на внедрении «зеленой энергетики»?
Проанализировав финансовую составляющую альтернативных видов отопления, можно прийти к неутешительному выводу – потребуются значительные средства на первоначальном этапе.
Вот спустя 3-7 лет, в зависимости от выбранного способа отопления, станет заметна существенная экономия благодаря энергонезависимой системе.

Выгодно и удобно использовать комбинированные источник альтернативного отопления. Для этого можно подобрать наиболее оптимальную комбинацию для своего дома
Сэкономить на использовании и установке альтернативных установок для выработки тепла можно. Многие домашние мастера с большим энтузиазмом подходят к созданию своими руками аналогов фабричным приборам преобразования альтернативной энергии.
Так, достаточно просто и недорого можно собрать гелиоустановку из шланга, которая послужит дополнительным источником нагрева воды.
Успешно собираются в домашних условиях небольшие ветряки из подручных средств. Также начитанные фермеры, проживающие в сельской местности, сооружают установки по преобразованию биологических отходов растительного и животного происхождения в биогаз.

Самодельные ветрогенераторы вполне работоспособны. Но для их сборки потребуется произвести предварительные расчеты, приобрести расходные материалы, потратить свое время
В дальнейшем он используется для потребностей хозяйства. В зависимости от размера резервуара для сбраживания отходов и площади частного дома, возможно полностью обеспечить хозяйство биогазом для удовлетворения всех нужд.
Выводы и полезное видео по теме
Видео о комбинировании альтернативных источников для получения электричества в небольшом загородном доме:
Ролик об изготовлении ветрогенератора своими руками поможет легко разобраться в принципах устройства:
Небольшое видео об использовании теплового насоса:
Видео ролик о получении биогаза:
Отказаться от традиционных источников отопления вполне реально. Для этого нужно внимательно подобрать альтернативу или скомбинировать несколько, исходя из особенностей местности, площади своего загородного дома и придомовой территории.
Энергия солнца, земли, сила ветра, утилизация бытовых отходов растительного и животного происхождения вполне способны стать достойной заменой газу, углю, дровам и платному электричеству.
Вы используете один из альтернативных источников энергии для домашних целей? Поделитесь, в какую сумму вам обошлась сборка установки и как быстро она окупилась.
Или может кто-то из ваших знакомых обустроил свой загородный дом на возобновляемых источниках? Использовав систему солнечных батарей или тепловой насос в качестве независимого источника для получения тепла, ГВС и электроэнергии?
Расскажите об этом опыте в комментариях под статьей — наглядный пример будет полезен домовладельцам, все еще сомневающимся в реальности альтернативной энергетики.
Источник: sovet-ingenera.com